29. STM8S105C6 에서 KEY, LED 테스트

STM8S105C6 MCU를 사용하여 KEY, LED, BEEP등을 제어하는 예제 가이드입니다.

📌 핵심 기술 포인트:
• STM8S105C6 MCU의 GPIO 제어

29.1. 리소스 링크 (Resources)

29.1.1. 강좌 (HTTPS)

강좌 바로가기: https://yooaroma.com/mm/stm8/29_stm8s105c6_debug.html

29.1.2. 실험 보드

1. 실험 개요 (이미지 클릭 시 확대)

실험 개요

2. 실험 내용 (이미지 클릭 시 확대)

실험 내용

29.1.3. 메뉴얼 및 회로도 및 설계 파일

STM8S-DISCOVERY

KIT

메뉴얼 pdf

메뉴얼

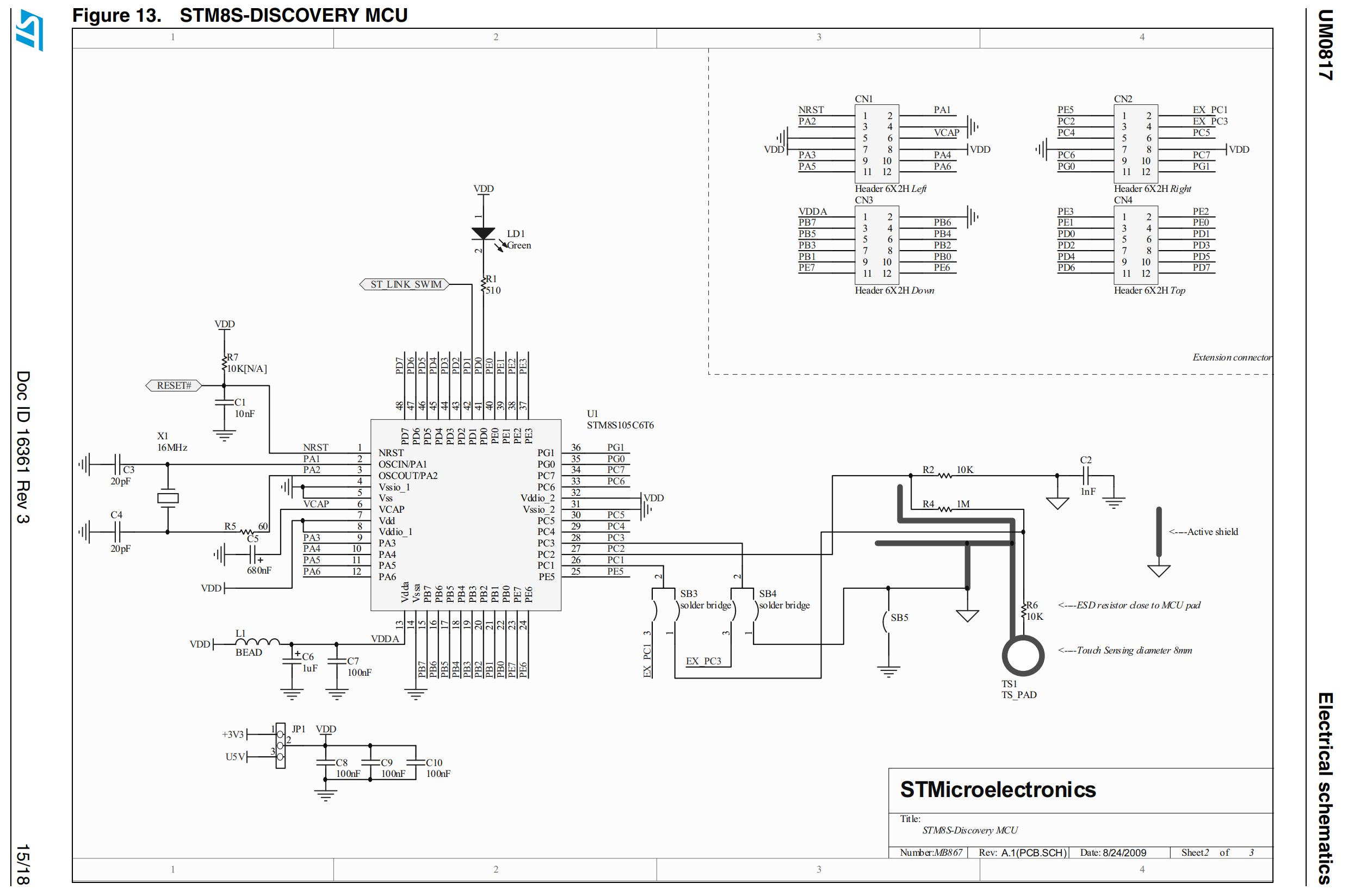
이미지 회로도

회로도

29.1.4. 소스코드, 외부 링크 및 동영상

유튜브 동영상 강의

공식 채널 및 소스 저장소:

29.1.6. 레퍼런스 및 메뉴얼

Chip Manual

Chip Manual

Programming Manual

Programming Manual

Reference Manual

Reference Manual

C example

C example